transit-club
Модератор форума: hmarun86, Фелuкс  
Литьё
v_a Меня здесь нет
Меня здесь нет
Город: Краснодар
Супергуру
Группа: Проверенные
5088 постов
Репутация: 247
Награды: 25
Дата: Четверг, 24.05.2012, 20:14 | Сообщение # 611
3 по логике толщина должна должна быть одинаковая. Можно и разную сделать, если хочеться подогнать колесо ближе к арке, почему нет smile
Шпильки нужно не обрезать а подрезать, и то, милиметров на пять, и то при необходимости, родной диск прикрутить без проблем и опасений, или проставку делать 25-30мм, шпилька полностью уйдет в потай smile все решаемо smile


Transit 2,5TDI Lucas EPIC АКПП samopal 1990г.в. низкий, коротыш, ходовая R17!!!
Профиль Сайт
djonSHUM@her Меня здесь нет
Меня здесь нет
Город: Киров
Свой в доску
Группа: Проверенные
225 постов
Репутация: 17
Награды: 1
Дата: Пятница, 25.05.2012, 00:10 | Сообщение # 612
v_a, как всегда всё досконально разжевал)))))

FT80 2.5D BOSCH, карандаши CAV, 1986 г.р., МТ75 95' ,узкий мост 4.1, коротыш низкий для души на литосе зимаR16-летоR17 5x139.7
it's me https://www.drive2.ru/r/ford/288230376152012299/
Профиль
Andrey_FT98 Меня здесь нет
Меня здесь нет
Город: Днепр
Гуру
Группа: Проверенные
898 постов
Репутация: 186
Награды: 16
Дата: Пятница, 25.05.2012, 11:04 | Сообщение # 613
Quote (djonSHUM@her)
как всегда всё досконально разжевал)))))

для тех кто не супергуру это очень важно! за это ему и спасибо! biggrin


Транзит 1998 г.в. 2.5D короткий низкий купил 11.11.11г. R15 5x120
Профиль
v_a Меня здесь нет
Меня здесь нет
Город: Краснодар
Супергуру
Группа: Проверенные
5088 постов
Репутация: 247
Награды: 25
Дата: Пятница, 25.05.2012, 11:34 | Сообщение # 614
да как бы незачто biggrin

Transit 2,5TDI Lucas EPIC АКПП samopal 1990г.в. низкий, коротыш, ходовая R17!!!
Профиль Сайт
Andrey_FT98 Меня здесь нет
Меня здесь нет
Город: Днепр
Гуру
Группа: Проверенные
898 постов
Репутация: 186
Награды: 16
Дата: Суббота, 26.05.2012, 11:42 | Сообщение # 615
Купил сегодня диски от БМВ с разболтовкой 5х120! Хвастаюсь! biggrin Диски из германии без пробега на Украине и цена смешная -1 тыр. грн.! biggrin
Прикрепления: 1608652.jpg (36.6 Kb) · 8455025.jpg (28.7 Kb) · 8732732.jpg (32.2 Kb) · 2058017.jpg (19.3 Kb) · 2626680.jpg (20.1 Kb)


Транзит 1998 г.в. 2.5D короткий низкий купил 11.11.11г. R15 5x120
Профиль
Andrey_FT98 Меня здесь нет
Меня здесь нет
Город: Днепр
Гуру
Группа: Проверенные
898 постов
Репутация: 186
Награды: 16
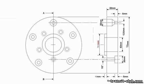
Дата: Суббота, 26.05.2012, 12:39 | Сообщение # 616
переделал под свои диски чертежи. Прозьба - кто может проверьте и подправте буду благодарен. biggrin

Аргументированная критика принимается! biggrin
Прикрепления: 6230541.jpg (12.0 Kb) · 7888146.jpg (16.4 Kb) · 2232233.jpg (19.0 Kb) · 1977056.jpg (19.1 Kb)


Транзит 1998 г.в. 2.5D короткий низкий купил 11.11.11г. R15 5x120
Профиль
Про100Я Меня здесь нет
Меня здесь нет
Город: Днепропетровск
Знаток
Группа: Проверенные
495 постов
Репутация: 35
Награды: 4
Дата: Суббота, 26.05.2012, 13:51 | Сообщение # 617
Andrey_FT98, диски яДД,завидую))))

Ford transit 1990 года 2,0 бенз.средний коротыш,самый оранжевый
Профиль
Andrey_FT98 Меня здесь нет
Меня здесь нет
Город: Днепр
Гуру
Группа: Проверенные
898 постов
Репутация: 186
Награды: 16
Дата: Суббота, 26.05.2012, 14:31 | Сообщение # 618
Кстати кто хочет себе диски загляните сюда :
http://emarket.ua/objavlenie/prodam-diski-na-bmw-ID1hUpF.html
http://emarket.ua/objavle....7B.html
http://emarket.ua/objavle....Xz.html
http://emarket.ua/objavlenie/diski-league-r15-IDFSUJ.html
http://emarket.ua/objavle....nX.html
http://emarket.ua/objavle....yl.html
А вот 14 на транзит 5х160 без переделок:
http://emarket.ua/objavle....ip.html
Поиск вам поможет! biggrin


Транзит 1998 г.в. 2.5D короткий низкий купил 11.11.11г. R15 5x120
Профиль
v_a Меня здесь нет
Меня здесь нет
Город: Краснодар
Супергуру
Группа: Проверенные
5088 постов
Репутация: 247
Награды: 25
Дата: Суббота, 26.05.2012, 14:53 | Сообщение # 619
Quote (Andrey_FT98)
Аргументированная критика принимается!

Выступ под ЦО диска лучше сделать миллиметров 15, я в первый раз сделал 7мм, как в английском оригинале, диск цеплялся за него всего одним миллиметром, что не есть гуд.
Если диски с БМВ, вылет может быть около +20, с таким значением ЕТ на перед проставка крайне не желательна, это и дикая нагрузка на подшибник, и выпирание колеса за арку. Если будет выпирать сзади, именно под эти колеса можно сделать проставку 13-15мм толщиной, плюс тормозной барабан проточить миллиметров на пять. Удачи вобщем:)
http://www.drive2.ru/cars....st
http://www.drive2.ru/cars....st


Transit 2,5TDI Lucas EPIC АКПП samopal 1990г.в. низкий, коротыш, ходовая R17!!!
Профиль Сайт
транзитчик Меня здесь нет
Меня здесь нет
Город: Санкт-Петербург
Знаток
Группа: Проверенные
348 постов
Репутация: 24
Награды: 1
Дата: Суббота, 26.05.2012, 20:49 | Сообщение # 620
Сделал нормально только мне кажется , широко задние колёса выступают ,падшибники не крякнуться wacko %) wacko

Форд Транзит, 1990года выпуска, 2 л бензин

Сообщение отредактировал транзитчик - Суббота, 26.05.2012, 20:51
Профиль
Поиск:

СЕГОДНЯ ФОРУМ ПОСЕТИЛИ: algri, MGV, vit-034, Shrek, Tema0900, эйван, AIACI, garic, nikola1964, ilyas, Nariman, batraz